-->

Raspberry Pi Hat Dimensions

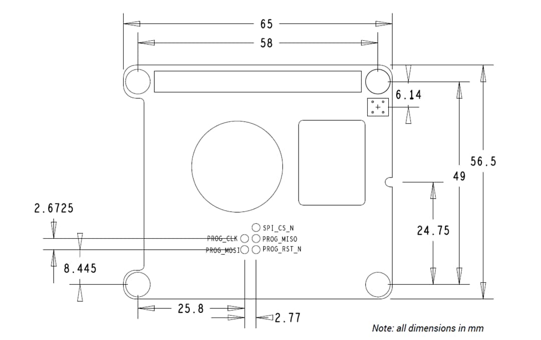
Design A Raspberry Pi Hat Shield Disk91 Com Technology Blog

raspberry pi hat dimensions is free HD wallpaper was upload by Admin. Download this image for free in HD resolution the choice "download button" below. If you do not find the exact resolution you are looking for, then go for a native or higher resolution.

Don't forget to bookmark raspberry pi hat dimensions using Ctrl + D (PC) or Command + D (macos). If you are using mobile phone, you could also use menu drawer from browser. Whether it's Windows, Mac, iOs or Android, you will be able to download the images using download button.

Mechanical Drawings Raspberry Pi Documentation

Power Over Ethernet Hat For Raspberry Pi 3b 4b 802 3af Poe

The Problem With Hats Pi Plates

Raspberry Pi Sense Hat For The Pi 3 2 B A Id 2738

All Raspberry Pi Products Dimension Drawings Ras Pi World

Introducing Raspberry Pi Hats Raspberry Pi

Raspberry Pi Hat Specification Released Make

Downloads Adafruit Rgb Matrix Real Time Clock Hat For

Power Over Ethernet Hat Rpi3 Modbp Poe Raspberry Pi Mouser


LihatTutupKomentar